Voltage controlled Mixer VCA-II

Motivation

VC Mixer VCA-II front view.

This is another take on my voltage controlled mixer VCA from 2021. The functionality is the same. I changed the function of the sliders and the pots though. Now the sliders are controlling the mix and the potentiometers controls the amount of the control voltage. The jacks are moved to the top. Those changes emphasizes more the character of a mixer. The 2021 version emphasizes more the VCA character. Now you can choose. Both have their usage. I changed the mechanical structure as well for ease of construction. The front panel is now available with Gerber and *.fpd files as well.

It is basically a combination of 6 VCA configured as a mixer. The five inputs can be used as individual linear VCA or as input channels to the mixer output. All five input channels and the mixer output are voltage controlled. The control voltage inputs for the input channels are normalized so you can modulate all five channels with the same control voltage or group them to your needs. The inputs are normalized as well. This makes for a nice voltage controlled overdrive when used. A level indicator shows the output signal at the summed output. The summed output is voltage controlled as well. Instead of the here used CA3280 (I am using up some NOS) you can use the new available AS3280.


Specs and features


Implementation

Schematic

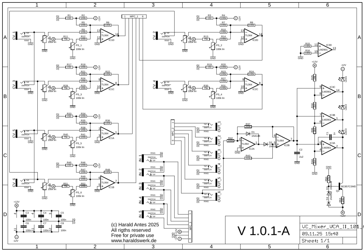
Voltage controlled mixer VCA-II schematic control board

Voltage controlled mixer VCA-II schematic: Control board

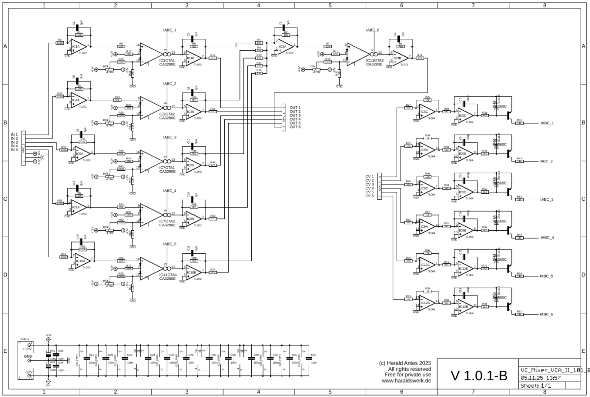
Voltage controlled mixer VCA-II schematic main board

Voltage controlled mixer VCA-II schematic: Main board

Description:

On the schematics you can see 6 VCA with linear control current sources. Just as it is done over and over again. Plenty explanations on the web.


Top

Calibration

  • Set all sliders to zero
  • Attach a voltmeter or oscilloscope to the summed output
  • Set output slider to max
  • Adjust TR2 for zero Volt at the output
  • Let the output slider stay at max
  • Set the slider of channel one(2, 3, 4, 5) to max
  • Adjust TR1 (TR3, TR4, TR5, TR6) for zero Volt at the output
  • Set the slider of channel one(2, 3, 4, 5) to back to zero
Top

Building hints

  • None

Special parts

  • Instead of the here used CA3280 (I am using up some NOS) you can use the new available AS3280.
  • The sliders are from Befaco (Thonk)
  • The connectors are Thonkicons (Thonk)

Download

Voltage controlled mixer VCA-II control board documentation download
Voltage controlled mixer VCA-II control board Gerber files download
Voltage controlled mixer VCA-II main board documentation download
Voltage controlled mixer VCA-II main board Gerber files download
Voltage controlled mixer VCA-II front panel Gerber files download
Voltage controlled mixer VCA-II *.fpd file

Voltage controlled mixer VCA-II front view

Voltage controlled mixer VCA-II: Front view


Voltage controlled mixer VCA-II populated control PCB front

Voltage controlled mixer VCA-II: Populated control PCB front


Voltage controlled mixer VCA-II populated control PCB back

Voltage controlled mixer VCA-II: Populated control PCB back


Voltage controlled mixer VCA-II main PCB

Voltage controlled mixer VCA-II: Populated main PCB top


Voltage controlled mixer VCA-II main PCB

Voltage controlled mixer VCA-II: Populated main PCB back


Voltage controlled mixer VCA-II side view

Voltage controlled mixer VCA-II: Side view


Voltage controlled mixer VCA-II half front view

Voltage controlled mixer VCA-II: Half front view


Voltage controlled mixer VCA-II half back view

Voltage controlled mixer VCA-II: Half back view


2025 November

Top Home Mixer