Active Slider Bank (command one) SMD

Motivation

Slider Bank (command one) front view.

This is the SMD version of the Avtive Slider Bank. The functionality is the same, PCB count is reduced to one. The through hole one is here.

This utility module gives you a wide range of variable and adjustable control voltages from -10V to +10V. This only depends on the knob and slider setting and patching within itself. If used with external input it can attenuate and offset the incoming signal. I use this module for steering modules which lacks of attenuator at the inputs or in greater patches for applying control voltages to far away modules. It is quite comfortable to have the controls in the first row of your case and not somewhere in the messy patch hardly in reach for your hands



Specs and features


Implementation

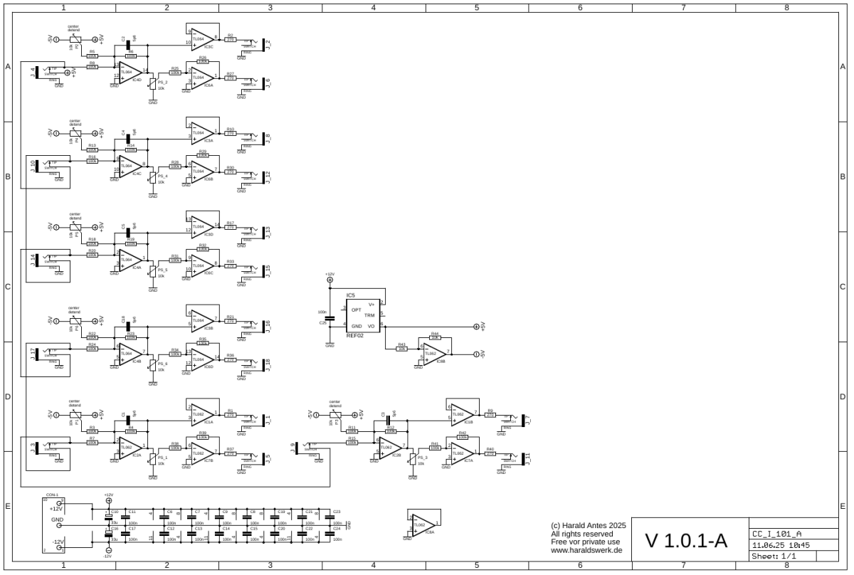
Schematic

Slider Bank (command one) SMD schematic control board

Slider Bank (command one): Schematic control board

Description:

...


Top

Calibration

  • None
Top

Building hints

  • None

Special parts

  • The used sliders are available from Befaco and Thonk

Download

Slider Bank (command one) SMD control board documentation download
Slider Bank (command one) SMD control board Gerber files download
Slider Bank (command one) *.fpd file

Slider Bank (command one) front view

Slider Bank (command one): Front view


Slider Bank (command one) populated control PCB top

Slider Bank (command one): Populated control PCB


Slider Bank (command one) populated control PCB back

Slider Bank (command one): Populated control PCB back


Slider Bank (command one) back view

Slider Bank (command one): Back view


Slider Bank (command one) side view

Slider Bank (command one): Side view


Slider Bank (command one) half side view

Slider Bank (command one): Half front view


2025 August

Top Home