Motivation
In most cases it is not necessary to use an ultra low ripple PSU for driving a synthesizer. A normal basic PSU with low ripple is sufficient in most cases. Those basic PSU has the advantage off better thermal and power efficiency. My implementation here is the same as my ultra low ripple PSU without the input low pass filter. Leaving this filter out lowers the power consumption at about 50%. And avoids the additional internal heating of the housing. It is possible to use a lower rated transformer with 15V/50VA (75VA for two PSU). The output current is increased. Those changes lowers the overall parts count and cuts the cost down as well. The PSU is build around the well known LM350 and follows mostly a straight forward design as in the data sheet. I have tested this design with a current load of 2.5A for some hours. No problems whatsoever. For a +/- 15V PSU you need two of those. You have to daisy chain them and use the connection as ground.
For 12V output you have only to change two parts. You can increase the output current for 12V to 3A. Use a 100VA transformer for tow PSU. Details in the building hints.
Specs and features
- Input: 15V/50VA AC. (75VA for two PSU)
- Output: 15V/2.5A (+/-15V/2x2.5A for two PSU)
- Output: 12V/3A (+/-12V/2x3A for two PSU with 100VA transformer)
- Schematic
- Pictures
Implementation
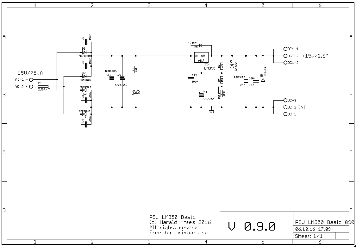
Schematic

Basic PSU with LM350 - Schematic
Description:
This design is straight forward like in the data sheet of the LM350. After the rectifier diodes C6 and C7 are the reservoir capacitors. LED1 indicates the presence of the unregulated voltage before the LM350. R1 limits the current for the LED. The LED is a low current 2mA type D5 serves as protection diode against reverse biasing the voltage regulator. R6, R7 and TR1 serves as voltage divider to adjust the output voltage to 15V. The 1.2V reference voltage between ADJ and out is amplified about 12-times to make a 15V output. So is the noise and ripple. C11 between ADJ pin and GND reduces noise and ripple considerably. Protective diode D6 is needed to safely discharge C11 if the output is short-circuited. D8 protects against short-circuited when you daisy chain two PSU for a +/- PSU if the other output is short circuited. With the above measures the ripple is quite low. With a 15V/75VA transformer (for two PSU) this PSU is good for output current of about 2.5A (both). Above this value the voltage drop over the regulator drops under the necessary 3V. To stay on the save side the recommended fuse is rated for 2.5A/slow-blow.
Changes for 12V output
Change R7 to 750R and TR1 to 200R. Use a 15V/100VA transformer for 2x12V/3A output. Increase the fuse accordingly.
Calibration
- Adjust the output with TR1 to 15V (12V)
Special parts
- none