Performance Mixer: Group

Motivation

Performance Mixer Group front view.

This is my take on a performance mixer with channels and groups. The panning and the volume for the channels is voltage controllable. You have two aux send per group, pre and post fader. The input gain is adjustable between 0..2 which can give nice distortion if wanted. You can add channels as needed.




Specs and features


Implementation

Schematic

Performance Mixer Group schematic control board

Performance Mixer Group schematic: Control board

Performance Mixer Group schematic main board  01/01

Performance Mixer Group schematic: Main board 01/01

Performance Mixer Group schematic main board 01/02

Performance Mixer Group schematic: Main board 01/02

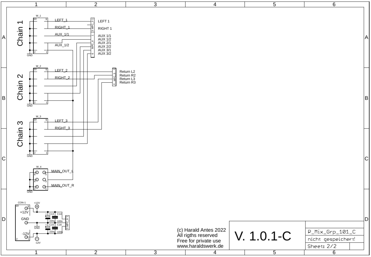
Performance Mixer Group schematic main board 01/03

Performance Mixer Group schematic: Main board 02/01

Performance Mixer Group schematic main board 02/01

Performance Mixer Group schematic: Main board 02/02

Description:

Nothing special about it. Just using standard configuration for mixers with OTA-s in the audio path.


Top

Calibration

First make a gross function test. All in and outs should work as expected and all potentiometer have some effect.

Connect a scope to the left and right output from the group. DC coupled. You'll need this to adjust the DC offset of the OTA's.

  • Group one OTA DC offset
    • Set Ret-Vol pot to zero.
    • Set all volume slider 1 to max.
    • Set all volume slider 2 and 3 to min.
    • Adjust TR_1 (board B) to zero Volt (left channel).
    • Adjust TR_2 (board B) to zero Volt (left channel).
  • Group two OTA DC offset
    • Set Ret-Vol pot to zero.
    • Set all volume slider 2 to max.
    • Set all volume slider 1 and 3 to min.
    • Adjust TR_1 (board C) to zero Volt (left channel).
    • Adjust TR_3 (board C) to zero Volt (left channel).
  • Group three OTA DC offset
    • Set Ret-Vol pot to zero.
    • Set all volume slider 3 to max.
    • Set all volume slider 2 and 3 to min.
    • Adjust TR_2 (board C) to zero Volt (left channel).
    • Adjust TR_4 (board C) to zero Volt (left channel).
Top

Building hints

  • None

Special parts

  • Instead of the here used CA3280 (I am using up some NOS) you can use the new available AS3280.
  • The sliders are from Befaco (Thonk or Befaco)
  • The connectors are Thonkicons (Thonk)

Download

Performance Mixer Group control board documentation download
Performance Mixer Group control board Gerber files download
Performance Mixer Group main board 01 documentation download
Performance Mixer Group main board 01 Gerber files download
Performance Mixer Group main board 02 documentation download
Performance Mixer Group main board 02 Gerber files download
Performance Mixer Group *.fpd file

Performance Mixer Group front view

Performance Mixer Group: Front view


Performance Mixer Group populated control PCB top

Performance Mixer Group: Populated control PCB top


Performance Mixer Group populated control PCB back

Performance Mixer Group: Populated control PCB back


Performance Mixer Group main PCB 01

Performance Mixer Group: Populated main PCB 01


Performance Mixer Group main PCB 02

Performance Mixer Group: Populated main PCB 02


Performance Mixer Group front half view

Performance Mixer Group: Half front view


Performance Mixer Group back view

Performance Mixer Group: Back view


Performance Mixer Group side view

Performance Mixer Group: Side view


2022 May

Top Home Mixer