Motivation

This utility module provides you with different functions. You can use it as attenuator and sign changer for any input signal. You can use it as CV Source. It gives you a DC offset between -2.5V ans + 2.5V with coarse and fine adjustment. This voltage range is easily adopted to your needs with simple resistor change. Most interesting application is using it as "CV Mover". This means adding a DC offset to the input signal. Say you have a LFO signal between +/-5V and want to shift it in the positive range. Then you can divide the signal in half with the attenuator to 1/2 and add the +2.5 threshold and you get a 0..5V positive LFO signal. This comes in handy for steering filters VCA's and other modules. The output signal is visualized with LED
Specs and features
- CV source -2.5..+2.5V with coarse and fine adjustment
- Attenuator
- Positive and inverted output signal
- Adjustable DC offset for the input signal
- Positive and negative CV output indicator with LED
- Runs on +/-15V and +/-12V
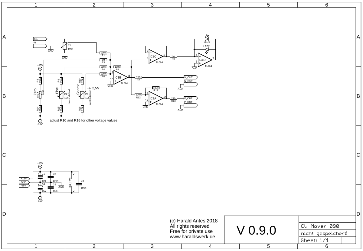
- Schematic CV mover
- Pictures
- Download docs
Implementation
Schematic

CV Mover schematic
Description:
IC1B acts as a simple inverting voltage adder. The input signal and the offset voltages are added together. The direct output from IC1B is the negative of the input signal. IC1A converts the signal back to the original phase. IC1C is a simple buffer and in the feedback loop of IC1D are the indicator LED's.
Calibration
- Set the coarse and fine potentiometer in middle position.
- Adjust TR1 for 0V at the positive output.
Special parts
None